目前,在中國天然氣行業,用于天然氣加氣站的壓縮機主要是曲柄連桿式往復活塞壓縮機,它由曲軸、連桿、十字頭等組成,將電機的旋轉運動轉化為活塞的直線運動。這種壓縮機用于母站和常規站的的增壓,其用途比較廣泛;但用于cng子站的增壓時就顯得有些欠缺。母站和常規站的壓縮機所用工況主要是進氣壓力較低(一般低于3.0MPa),而且進氣壓力的變動范圍較小。而cng子站所用增壓壓縮機的工況則與其相差較遠:進氣壓力在3.0-20.0MPa,范圍相當廣,壓縮機所用氣閥不好設計,閥損、閥壽命等都面臨尷尬的處境。若縮小進氣壓力范圍,則只能選擇較低的壓力范圍,電機的功率偏大,即使進氣壓力高,也必須降壓到壓縮機規定的進氣壓力范圍內。這樣就浪費電能,運轉成本較高。為了克服這些不足,選擇液壓活塞式天然氣壓縮機就在所難免。
從電機功率選擇上來看,液壓活塞式壓縮機的運轉成本低。其工作原理如下:

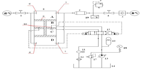
工字形活塞桿將上面氣缸分隔為 A、B 兩個腔,將下面氣缸分隔為 C、D 兩個腔,液壓站輸出的高壓油進入 C 腔, B 腔的油回油箱(近似認為回油箱的油壓力為0),活塞桿向下運動,槽車內氣體進入 A 腔(一級進氣),而 D 腔的氣體則經壓縮后流出(一級壓縮),進入冷卻器,完成一級壓縮過程;當活塞運行到極點時,液壓站換向閥將會換向,輸出的高壓油進入 B 腔, C 腔的油回油箱,活塞桿向上運動,槽車內氣體進入 D 腔(一級進氣),而 A 腔的氣體則經壓縮后流出(一級壓縮),進入冷卻器,完成一級壓縮過程。
從運動部件來看,連桿式天然氣壓縮機包括將圓周運動轉化為直線運動的一系列零部件:機體、曲軸、連桿、十字頭、活塞桿等,還需要一套聯軸器設備將壓縮機與電機聯結起來。這樣,體積大,零部件多,易損件多,檢修和維修很麻煩,其占地面積(長×寬)約為5500×2800;液壓活塞式天然氣壓縮機只是將液壓能轉換為氣體的壓力能,只需一套氣缸、活塞系統和液壓系統。這樣,體積就小,除氣缸和活塞外大部份都是標準件或外購件,檢修和維修相對簡單。液壓式天然氣壓縮機的占地面積(長×寬)約為2800×1800,占地面積明顯較小。相應的機組重量和部件重量都明顯減小。運行成本和維修成本均較低。
從振動上考慮,連桿式天然氣壓縮機由于運動件多,運動件質量大,機械振動大;相反,液壓活塞式天然氣壓縮機振動就小多了,主要的振動源來油泵的旋轉運動,而這個振動相對于往復運動是很小的。
噪音也是機組處在城市里必不可少的指標。機械式天然氣壓縮機一般轉速較低,功率大,電機的噪音、進排氣閥在缸體內產生高頻率撞擊的聲音、進排氣口氣流產生的噪音等使機組噪音很大,而且沉悶,噪音不易衰減,噪聲不易達標;液壓活塞式天然氣壓縮機電功率小,噪音相對小些,而且轉速高,噪音易衰減,容易達標。
由于液壓活塞式天然氣壓縮機是專門針對cng子站工況特點設計,其工藝流程的適應性強,使用效能佳,代表了當今cng子站天然氣壓縮機的發展方向。
