中石化目前在用的CNG加氣站子站中,所運行的設備無非是槽車、卸氣柱、瓶組、壓縮機、加氣機等,卸氣柱、瓶組、加氣機之類的設備維修及運行成本和人員的管理成本相對穩定一些,真正對運行成本影響較大的是壓縮機運行成本。這種影響表現在三點:1.壓縮機增壓所需的電費成本;2.壓縮機工作時產生的泄漏成本;3.設備維修成本。
壓縮機增壓所需電費成本體現在用電量的多少,計算單位為:kW·h/方(JB11422-2013《汽車加氣站用天然氣液壓壓縮機》中的術語叫:比能耗),可以用公式計算:
F1=x1·/V;
F1:單位氣體的耗電量(kW·h/方);
X1:槽車卸氣過程中壓縮機所耗電量(度或kW·h);
V:槽車的卸氣量(方)
讓我們分析其各種壓縮機的比能耗值的差別。現在市場上所用的子站壓縮機或增壓設備有機械壓縮機、立式液壓壓縮機、臥式液壓壓縮機、液壓平推等幾種。其各自的原理為:
1) 傳統機械式子站壓縮機
其傳動模式是曲柄連桿機構:電機帶動曲軸旋轉,通過連桿、十字頭、活塞桿,帶動活塞在氣缸內作往復運動,實現氣體的壓縮過程,實現增壓目的。如下圖:

2) 液壓平推子站設備系統
其工作原理是:液壓工作橇提供高壓油,通過一系列控制閥逐次注入專用槽車的每只長管鋼瓶內,將長管鋼瓶內的天然氣以20MPA的恒定壓力推出來,從而通過售氣機給汽車加氣。如下圖:左邊是專用槽車,右邊是液壓工作撬。

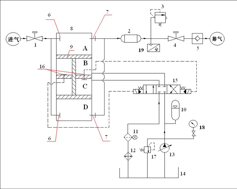
3) 立式液壓壓縮機(立式氣缸)
結構原理:
工字形活塞桿將上面氣缸分隔為 A、B 兩個腔,將下面氣缸分隔為 C、D 兩個腔,如下圖:
工藝流程:
①液壓站輸出的高壓油進入 C 腔, B 腔的油回油箱(近似認為回油箱的油壓力為0),活塞桿向下運動,槽車內氣體進入 A 腔,(一級進氣),而 D 腔的氣體則經壓縮后流出(一級壓縮),進入冷卻器,完成一級壓縮過程;當活塞運行到極點時,液壓站換向閥將會換向,輸出的高壓油進入 B 腔, C 腔的油回油箱,活塞桿向上運動,槽車內氣體進入 D 腔,(一級進氣),而 A 腔的氣體則經壓縮后流出(一級壓縮),進入冷卻器,完成一級壓縮過程
②當兩個這樣的氣缸串聯時,就構成了兩級壓縮。

4) 臥式液壓壓縮機
結構原理:中間一個油缸帶動兩邊的兩個氣缸,每個氣缸分為兩級壓縮。如下圖。

工藝流程:
①活塞桿向右運動時,槽車內氣體由 A 進入左邊氣缸的一級腔(一級進氣),而右邊一級腔的氣體則壓縮后經 B 流出,進入冷卻器,完成一級壓縮過程;同時,冷卻后的氣體由 G 進入二級腔(二級進氣),左邊氣缸二級腔內的氣體則壓縮后經 D 流入二級冷卻器,然后排出。
②相反,活塞桿向左運動時,槽車內氣體由 E 進入右邊氣缸的一級腔(一級進氣),而左邊一級腔的氣體則壓縮后經 F 流出,進入冷卻器,完成一級壓縮過程;同時,冷卻后的氣體由 C 進入二級腔(二級進氣),右邊氣缸二級腔內的氣體則壓縮后經 H 流入二級冷卻器,然后排出。
這四種子站壓縮機的理論用電量比較如下表:
| 機械壓縮機 | 立式液壓壓縮機 | 臥式液壓壓縮機 | 液壓平推 |
平均排量 | 1000 | 1000 | 1000 | 1000 |
主電機功率(kW) | 75 | 44 | 44 | 37 |
實際小時耗電量(度電) | 75x0.8=60 | 44x0.8=35.2 | 44x0.8=35.2 | 37 |
比能耗(kW·h/方) | 0.06 | 0.0352 | 0.0352 | 0.037 |
說明:前三種電機在大部份時間不在滿負荷狀態,其平均電流按滿負荷的80%計算。
從上表中可以看出,從能耗上講,子站壓縮機應優先選擇液壓設備。
壓縮機在工作過程中總會產生泄漏,泄漏量大,損失的氣體就多,相反,少泄漏,就可以增加加氣站的收入,這也構成了加氣站的運行成本。在考察多個加氣站每月的CNG進出數據,可得出這四種壓縮機的泄漏率比較如下表:
| 機械壓縮機 | 立式液壓壓縮機 | 臥式液壓壓縮機 | 液壓平推 |
泄漏率(%) | 0.6-3 | 0.03-0.06 | 0.03-1 | 1.5-1.8 |
平均泄漏率(%) | 1.8 | 0.045 | 0.5 | 1.65 |
按15000方/天規模計算的年泄漏量(方) | 15000x1.8%x 360天=97200 | 15000x0.045%x 360天=2430 | 15000x0.5%x 360天=27000 | 15000x1.65%x 360天=89100 |
在加氣子站設備中,占主要維修任務、并對加氣站售氣有較大影響的,還是壓縮機設備,因此壓縮機設備的維修成本就顯得比較突出。這里主要列出正常工作狀態,每年耗材費用和易損件的維修費用比較表:
| 機械壓縮機 | 立式液壓壓縮機 | 臥式液壓壓縮機 | 液壓平推 |
配件費用(萬元) | 12 | 4 | 4 | 8(油耗) |
維修時間(小時) | 8 | 3 | 20 | 維修時需浪費天然氣 |
維修成本還體現在加氣站的信用受損。當司機來加氣時,出現設備故障停止加氣,如果一段較短的時間內連續出現2-3次,可能司機就不愿意再來加氣了,而且這種信息在司機內部是通過對講機來傳遞,傳播速度相當快,這樣就無形之中失去了很多用戶。因此壓縮機的維修性和故障率就顯得更為重要。
從上面三種成本的分析可以看出:選擇CNG加氣子站用壓縮機應優先選用液壓壓縮機,在液壓壓縮機中應優先選擇立式液壓壓縮機。這種壓縮機從其工作原理上就能看出:節能、無泄漏、全風冷等特點,在加氣子站的使用中也體現了其節能、環保和維修性好等方面的優勢。目前,這種立式液壓壓縮機在國內有較多的使用,最先由武漢齊達康環保科技有限公司開發并率先在國內使用,在使用成功后,現在已有四川金科、山東杰瑞等廠家在跟進。使CNG加氣子站壓縮機又多了一種好的選擇。
