天然氣子站工藝設備的核心部分是壓縮機。壓縮機主要分為三種類型:傳統機械式壓縮機、液壓平推式子站設備系統、液壓活塞式壓縮機。這三種設備在加氣子站中均能起到增壓作用。由于其工作原理及結構形式的差異,給加氣站經營方帶來的使用性、經濟性有較大差異。雖然液壓活塞式壓縮機在國內誕生較晚,但由于液壓活塞式壓縮機是專門針對子站工況特點設計,其工藝流程的適應性強,使用效能佳,代表了當今子站壓縮機的發展方向。
其傳動模式是:電機帶動曲軸旋轉,通過連桿、十字頭、活塞桿,帶動活塞在氣缸內作往復運動,實現氣體的壓縮過程,實現增壓目的。如下圖:

特點:
(1) 技術成熟。國內外機械式壓縮機有上百年的發展歷史。
(2) 氣缸內余隙較大,壓縮氣體溫度較高、壓縮效率較低。
(3) 泄漏量大。曲柄帶動活塞高速運轉,在氣缸設計中填料、活塞環是必要部件,且都有間隙,天然氣泄漏不可避免。其中,活塞環泄漏是內泄漏,填料泄漏是外泄漏(目前,填料氣體收集成本相當高,國內外都沒有采用),而且泄漏率會越來越大。一般國內嶄新壓縮機的泄漏率約0.6%,隨著運行時間延長,會達到1%-3%;
(4)能耗較大。選用電機功率較大(75kW或90kW),啟動電流也大。因此不能頻繁啟動。下圖是槽車壓力與軸功率和排氣溫度曲線。從圖線可以看出,

(1) 槽車壓力在10MPa時,功率最大,其它壓力段的無功損耗較多,為了保證電機在空負荷下啟動,在停機時要將氣缸及管線內的氣體放空。
(2) 維護費用高。易損件多、互換性較差。由于來回高速摩擦,活塞環、支撐環、連桿瓦、填料等都是易損件。這種易損件各生產廠家都不能互換,買了這種設備,往往需依賴其提供配件。
(3) 噪聲大。機組振動大、運轉噪音高。在高速運轉過程中,各運動部件都有間隙(不然是不能運動的)。氣閥的高頻率啟閉,都會產生撞擊聲,裸機噪聲大多在90分貝以上。
(4) 其工藝流程中必需設置較大規格的儲氣裝置。
液壓平推設備系統工藝的CNG加氣子站,由專用槽車、液壓工作橇、售氣機等組成。其工作原理是:液壓工作橇提供高壓油,通過一系列控制閥逐次注入專用槽車的每只長管鋼瓶內,將長管鋼瓶內的天然氣以20MPa的恒定壓力推出來,從而通過售氣機給汽車加氣。如下圖:左邊是專用槽車,右邊是液壓工作撬。

特點:
(1) 節能效果較好。選用電機功率一般為30kW或60kW。但液壓系工作壓力較高,不低于20MPa。
(2) 簡化加氣站流程。加氣站設備只需槽車和液壓工作撬系統、售氣機即可。占地面積小。單線加氣。由于沒有儲氣設備,不能多線加氣。
(3) 使用專用槽車,與普通槽車不能通用。
(4) 液壓油中含有專用添加劑,揮發量較大,購買成本較高。通常高壓天然氣與高壓油的相互滲透量還是較大的,如果不是與天然氣不相溶的專用液壓油,排出的天然氣含油量會很大,將直接影響下游設備和CNG汽車的正常運行。
(5) 槽車的每支鋼瓶內天然氣通過液壓油推出以后總有一定的剩余量,在回油過程中通過放空口向大氣放散,造成損耗及環境污染。天然氣泄漏率在1%左右。
(6) 排氣壓力不超過20Mpa,容易造成下游供氣不足的情況。
(7) 排氣量恒定,適應性較差。其排氣量由液壓油泵的排量決定,進多少油才能排多少氣。油泵的排量是恒定的,因而排出的氣體量也是恒定的,所以適應加氣高低峰能力較差。
(8) 由于天然氣出口沒有冷卻,其排出的氣體溫度相對要高一些。
(9) 一次性投資成本最高。

三、立式液壓壓縮機(立式氣缸)
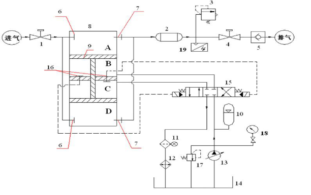
液壓壓縮機是將傳統機械壓縮機的動力由曲柄四連桿機構強制驅動,改為由含壓力能量的液壓油適應性驅動(根據能量需求來供應能量)。其結構原理為:
工字形活塞桿將上面氣缸分隔為 A、B 兩個腔,將下面氣缸分隔為 C、D 兩個腔,如上圖:
工藝流程:
①液壓站輸出的高壓油進入 C 腔, B 腔的油回油箱(近似認為回油箱的油壓力為0),活塞桿向下運動,槽車內氣體進入 A 腔(一級進氣),而 D 腔的氣體則經壓縮后流出(一級壓縮),進入冷卻器,完成一級壓縮過程;當活塞運行到極點時,液壓站換向閥將會換向,輸出的高壓油進入 B 腔, C 腔的油回油箱,活塞桿向上運動,槽車內氣體進入 D 腔(一級進氣),而 A 腔的氣體則經壓縮后流出(一級壓縮),進入冷卻器,完成一級壓縮過程。
②當兩個這樣的氣缸串聯時,就構成了兩級壓縮。
特點: 節能效果好。一般選用22kW雙電機,進氣壓力高時為單電機工作,進氣壓力低時為雙電機工作。下圖是槽車壓力各壓力點的排量與功率曲線:

立式液壓壓縮機結構簡單。氣缸和油缸雙缸一體結構,液壓油每運行一個行程,都會將氣缸壁冷卻一次,因此氣體和氣缸壁的溫度較低,不需水套缸冷卻;一組氣缸只有一級壓縮,要想兩級壓縮需用兩組氣缸;軸向尺寸相對較短(僅大于兩倍行程),可以立式安裝;
(1) 油泵工作壓力較低。經過受力分析,所需油壓=(排氣壓力-進氣壓力)/2;額定壓力為31Mpa的油泵工作范圍始終在16MPa以下。
(2) 噪聲低。實測噪聲不高于70分貝。
(3) 天然氣幾乎無泄露量。設計上回避了填料等結構設計,系統幾乎沒有泄露點。
(4) 耗油量極小。油附著在缸壁上形成極薄高分子油膜,使輸出氣體內含極少量油。
(5) 易損件少。只有活塞環、O形圈等少量易損件。
(6) 各支承環和液壓活塞環不存在偏磨現象,壽命較長。
綜上所述,液壓活塞式壓縮機結構簡單,流程適應性強,節能性好,泄露量小,運行維護成本低,代表了子站壓縮機發展方向,是CNG加氣子站壓縮機首選設備。其具體比較見表1、表2。
表1:液壓活塞壓縮機(立式氣缸)與傳統壓縮機性能比較表:

表2:液壓活塞壓縮機(立式氣缸)與液壓平推系統性能比較表:

