CNG汽車加氣行業經過十幾年的發展,其加氣站的核心設備主要是單一的傳統曲柄連桿式機械壓縮機(以下簡稱機械壓縮機),先后出現了液壓平推子站加氣系統、液壓活塞式壓縮機等多種設備。這幾種設備的出現都被市場接受和看好,而且液壓壓縮機以其易損件少、維修簡單、運行成本低、泄漏率低等較多的優勢,有取代機械壓縮機的態勢。據悉,由武漢齊達康環保科技有限公司牽頭起草的標準《汽車加氣站用天然氣液壓壓縮機》(JB/T 11422-2013)已于2013年九月一日通過審核正式頒布和生效,對液壓活塞式壓縮機的設計、生產和制造起到了一定的規范作用。
最近幾年市場出現了一種液壓活塞式CNG子站壓縮機,應用情況較好,很快得到市場的認同。但有些人為了自家利益,夸大了液壓平推系統的優勢,惡意貶低液壓活塞式壓縮機的性能和優點,發布了不切實際的言論。對此,本文筆者就從原理上介紹這兩種設備。液壓活塞式壓縮機分氣液雙缸一體式和油氣缸分開式兩種,液壓平推系統分單線輸出和雙線輸出兩種,這里先講述單線輸出,再介紹單線與雙線輸出的區別。
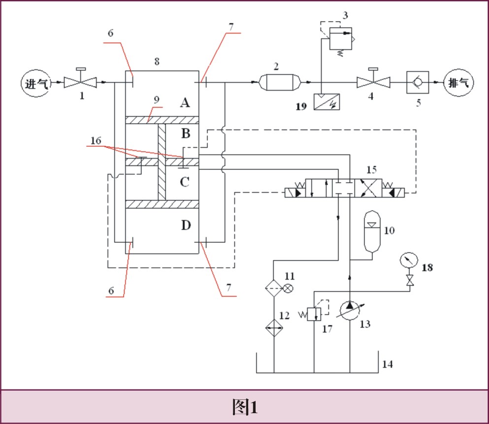
氣液雙缸一體式液壓壓縮機(立式氣缸)
結構原理:
工字形活塞桿將上面氣缸分隔為 A、B 兩個腔,將下面氣缸分隔為 C、D 兩個腔,如圖1:
1 球閥、2 冷卻器、3 安全閥、4 球閥、5 單向閥、6 進氣閥、7 排氣閥、8 氣缸、9 活塞、10 蓄能器、11 回油過濾器、12 油冷卻器、13 液壓泵、14 油箱、15 電液換向閥、16 限位開關、17 溢流閥、18 壓力表、19 壓力傳感器。
工藝流程:
①液壓站輸出的高壓油進入C腔,B腔的油回油箱(近似認為回油箱的油壓力為0),活塞桿向下運動,槽車內氣體進入 A 腔,(一級進氣),而 D 腔的氣體則經壓縮后流出(一級壓縮),進入冷卻器,完成一級壓縮過程;當活塞運行到極點時,液壓站換向閥將會換向,輸出的高壓油進入 B 腔, C 腔的油回油箱,活塞桿向上運動,槽車內氣體進入 D 腔,(一級進氣),而 A 腔的氣體則經壓縮后流出(一級壓縮),進入冷卻器,完成一級壓縮過程
②當兩個這樣的氣缸串聯時,就構成了兩級壓縮。

需注意,圖1中,實線部分為氣路和液路,虛線部分為控制線路。
特點分析:
(1)節能效果好。選用22kW雙電機,進氣壓力(即槽車鋼瓶內壓力)高時為單電機工作,低時為雙電機工作。經第三方檢測,實測平均售氣量1000m3/h的情況下,平均每方氣的耗電量為0.035度電。圖2是槽車壓力各壓力點的排量與功率曲線;
(2)結構簡單。氣缸和油缸雙缸一體結構,液壓油每運行一個行程,都會將氣缸壁冷卻一次,因此氣體和氣缸壁的溫度較低,不需水套缸冷卻(即全風冷);
(3)幾乎無天然氣泄露。設計上回避了填料等結構設計,系統幾乎沒有泄露點;

(4)耗油量極小,每年只更換一次油即可。盡管油附著在缸壁上形成極薄油膜,使輸出氣體內含極少量油,但這種含油量對下游設備不構成影響,況且可以在設備內部的流程上增加一組專門的除油過濾器;
(5)易損件少。只有活塞環為易損件,且易損件更換簡單,能實現在位維修,不越過3小時;
(6)排氣量隨槽車的壓力變化而變化,當槽車壓力較低時,排氣量也較低,這時如果遇到加氣高峰時則顯得加氣量不足,需要加氣站配儲氣瓶組來調節加氣高峰,更換槽車時同樣可以對外售氣。
液壓平推子站設備系統
系統原理:
由液壓平推設備系統組成的CNG加氣子站,由專用槽車、液壓工作橇、售氣機等組成。其工作原理是:液壓工作橇提供高壓油,通過一系列控制閥將液壓油注入專用槽車的長管鋼瓶內,將長管鋼瓶內的天然氣以21.5MPa的恒定壓力推出來,再通過售氣機給汽車加氣。當液壓油將長管鋼瓶內的氣體基本置換完后,用剩余氣體的壓力再將油推回油箱,如此反復。如圖3,左邊是專用槽車,右邊是液壓工作撬。

特點分析:
(1)簡化加氣站流程。沒有儲氣設備,占地面積小,單線加氣,加氣站設計和建造相對簡單。
(2)槽車卸氣率較高,約90%,槽車卸完氣后,壓力在1.5~2.5MPa之間。
(3)根據現場數據對比,比傳統機械壓縮機能耗低。
(4)維修簡單,主要是氣閥等部件的維修。
(5)系統的泄漏量較大。氣體將油壓回油箱時產生泄漏,按設備使用廠家的數據,約為1~1.8%
(6)氣體的含油量高,對天然氣的下游設備影響較大,特別是對氣質很敏感,如果氣質稍差,則會對液壓油污染較大,甚至直接破壞液壓油,導致液壓閥件損壞。
(7)液壓油易損失,需定期加專用液壓油,造成運行成本增加。
(8)碰到加氣車輛較多時,達不到20MPa就完成加氣過程,而且近氣源的售氣機比遠氣源的售氣機加氣壓力要高。
(9)使用專用槽車,且價格高出較多。
油氣缸分開式液壓壓縮機(臥式)
結構原理:
中間一個油缸帶動兩邊的兩個氣缸,每個氣缸分為兩級壓縮。如圖4。

工藝流程:
①活塞桿向右運動時,槽車內氣體由 A 進入左邊氣缸的一級腔(一級進氣),而右邊一級腔的氣體則壓縮后經 B 流出,進入冷卻器,完成一級壓縮過程;同時,冷卻后的氣體由 G 進入二級腔(二級進氣),左邊氣缸二級腔內的氣體則壓縮后經 D 流入二級冷卻器,然后排出。
②相反,活塞桿向左運動時,槽車內氣體由 E 進入右邊氣缸的一級腔(一級進氣),而左邊一級腔的氣體則壓縮后經 F 流出,進入冷卻器,完成一級壓縮過程;同時,冷卻后的氣體由 C 進入二級腔(二級進氣),右邊氣缸二級腔內的氣體則壓縮后經 H 流入二級冷卻器,然后排出。
特點分析:
1.節能效果與氣液雙缸一體式液壓壓縮機相似;
2.氣體與液壓油是分開的,液壓油只能通過活塞桿上形成的油膜與氣體相溶,氣體含油量低;
3.一組氣缸可滿足兩級壓縮;
4.由于一組氣缸滿足兩級壓縮,則其活塞桿的桿徑必須較大(根據壓縮機原理,如果活塞桿的桿徑較小,則相當于一級雙作用壓縮,而不是兩級壓縮),因此活塞桿的重量較大,各支承環和液壓活塞環存在偏磨現象,即使立式安裝也存在此現象,因為活塞桿支點太多;
5.維修性差。氣體壓縮后溫度較高,氣缸散熱較差,為保證壓縮效率和密封件壽命,需要增加水套缸,用水冷卻氣缸。除增加一套水系統外,氣缸筒外套水缸的維修是相當麻煩的;
6.軸線尺寸長,至少有三倍行程的長度,臥式安裝較為合理;
7.經過受力分析,所需油壓=排氣壓力-進氣壓力,額定壓力為31MPa的油泵長期處于滿負荷工作狀態。
8.當密封件損壞時,天然氣會向空氣中泄漏。


小結
綜上所述,各種液壓壓縮機或液壓系統都有它的優勢和不足。現在,這幾種設備都在專門針對自身的不足作相應的技術改進。其中,液壓活塞式壓縮機通過改變加氣站流程來克服自身的不足,采用雙卸氣流程來克服槽車壓力低時排氣量跟不上的弊端。流程如圖5:當槽車壓力較低時,可以將另一輛滿的槽車通過低壓線給車加氣,這樣就可以保證任何時候都能正常加氣。但氣液雙缸一體式與油氣缸分開式的最大區別在于后者必須用水冷卻氣缸,增加水系統(增加系統意味著增加故障點),且增加了維修的難度。
液壓平推系統也改成了雙線加氣,原理如圖6,克服了單線加氣的弊端。但它最大的弊端在于油和氣相互污染,影響下游設備,且受氣質的影響較大。
