齊達康公司的獨有特點:
1. 設備運行穩定,故障率極低。年故障停機時間低于30小時。7年使用歷史,經歷了嚴寒和酷暑的考驗,174個成功案例。
2. 易損件壽命長,活塞密封壽命5000小時;(實際主機密封壽命現場使用已達16000小時未失效,達到世界領先水平。
3. 擁有國內唯一的液壓壓縮機技術研究中心
4. 液壓壓縮機行業標準制定者(GB/T 11422-2013)
5. 投資省。擁有完全摸擬子站工況的出廠檢測裝置,保證設備現場安裝調試簡單。
6. 節能性好,省電。1000系列產品,每方氣平均電耗為0。035度;1500系列每方氣電耗為0。04度。
7. 環保性好,整機幾乎無天然氣泄露。給用戶帶來實實在在的效益。
8. 工藝流程先進,模塊化設計,雙卸氣雙計量,方便用戶選擇,一臺設備可發揮2臺設備的售氣效率。
9. 控制元件均為進口產品,設備性能更穩定。
10. 液壓油運行油壓最高不超過15Mpa,動力系統穩定。
11. 精確位置換向,排量有保證。
12. 活塞每分鐘運行8-10次,設備磨損率低。
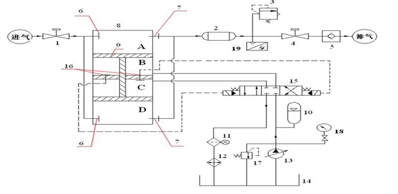
v 結構原理:
工字形活塞桿將上面氣缸分隔為 A、B 兩個腔,將下面氣缸分隔為 C、D 兩個腔,如下圖:

v 工藝流程:
液壓站輸出的高壓油進入 C 腔, B 腔的油回油箱(近似認為回油箱的油壓力為0),活塞桿向下運動,槽車內氣體進入 A 腔(一級進氣),而 D 腔的氣體則經壓縮后流出(一級壓縮),進入冷卻器,完成一級壓縮過程;當活塞運行到極點時,液壓站換向閥將會換向,輸出的高壓油進入 B 腔, C 腔的油回油箱,活塞桿向上運動,槽車內氣體進入 D 腔(一級進氣),而 A 腔的氣體則經壓縮后流出(一級壓縮),進入冷卻器,完成一級壓縮過程。
2、當兩個這樣的氣缸串聯時,就構成了兩級壓縮。
v 特點:
1. 氣缸和油缸雙缸一體結構,液壓油每運行一個行程,都會將氣缸壁冷卻一次,因此,氣體和氣缸壁的溫度較低,不需水套缸冷卻;
2. 一組氣缸只有一級壓縮,要想兩級壓縮就用兩組氣缸;
3. 軸向尺寸相對較短,大于兩倍行程,可以立式安裝;
4. 各支承環和液壓活塞環不存在偏磨現象;
5. 油附著在缸壁上形成極薄油膜,使輸出氣體內含極少量油;
6. 經過受力分析,所需油壓=(排氣壓力-進氣壓力)/2;額定壓力為31Mpa的油泵工作范圍始終在15Mpa以下;
7. 當密封件損壞時,天然氣會向液壓油中泄漏(受力分析可知: A 腔氣壓總是大于 B 腔油壓、 D 腔氣壓總是大于 C 腔油壓),導致油泵聲音異常,易診斷。
v 結構原理:
中間一個油缸帶動兩邊的兩個氣缸,每個氣缸分為兩級壓縮。如下圖。

v 工藝流程:
1. 活塞桿向右運動時,槽車內氣體由 A 進入左邊氣缸的一級腔(一級進氣),而右邊一級腔的氣體則壓縮后經 B 流出,進入冷卻器,完成一級壓縮過程;同時,冷卻后的氣體由 G 進入二級腔(二級進氣),左邊氣缸二級腔內的氣體則壓縮后經 D 流入二級冷卻器,然后排出。
2. 相反,活塞桿向左運動時,槽車內氣體由 E 進入右邊氣缸的一級腔(一級進氣),而左邊一級腔的氣體則壓縮后經 F 流出,進入冷卻器,完成一級壓縮過程;同時,冷卻后的氣體由 C 進入二級腔(二級進氣),右邊氣缸二級腔內的氣體則壓縮后經 H 流入二級冷卻器,然后排出。
v 特點:
1. 氣體與液壓油是分開的,液壓油只能通過活塞桿上形成的油膜與氣體相溶,氣體含油量低;
2. 一組氣缸可滿足兩級壓縮;
3. 由于一組氣缸滿足兩級壓縮,則其活塞桿的桿徑必須較大(根據壓縮機原理,如果活塞桿的桿徑較小,則相當于一級雙作用壓縮,而不是兩級壓縮),因此活塞桿的重量較大,各支承環和液壓活塞環存在偏磨現象;
4. 氣體溫度較高,最高可達160℃。氣缸散熱較差,為保證壓縮效率和密封件壽命,需要增加水套缸,用水冷卻氣缸,使出口氣體溫度保持在135℃以下;
5. 軸線尺寸長,至少有三倍行程的長度,臥式安裝較為合理;
6. 經過受力分析,所需油壓=排氣壓力-進氣壓力,額定壓力為31Mpa的油泵工作范圍始終在27Mpa以上;
7. 當密封件損壞時,天然氣會向空氣中泄漏,不易察覺和診斷。
三、立式和臥式液壓活塞壓縮機綜合比較
(特別說明:為了克服支撐環與活塞環偏磨的問題,目前市場上有一種臥式液壓活塞壓縮機將缸立式安裝,但我們依然稱它為臥式液壓活塞壓縮機。立式安裝,并不能改變臥式液壓活塞壓縮機的工作原理及性能)
![]()

