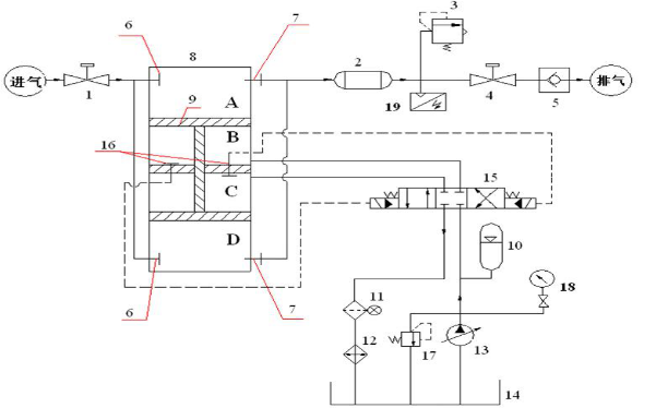
液壓活塞式天然氣壓縮機是將傳統機械壓縮機的動力由曲柄四連桿機構強制驅動,改為由含壓力能量的液壓油適應性驅動(根據能量需求來供應能量)。其結構原理為:
工字形活塞桿將上面氣缸分隔為 A、B 兩個腔,將下面氣缸分隔為 C、D 兩個腔,如下圖:
工藝流程:
①液壓站輸出的高壓油進入 C 腔, B 腔的油回油箱(近似認為回油箱的油壓力為0),活塞桿向下運動,槽車內氣體進入 A 腔(一級進氣),而 D 腔的氣體則經壓縮后流出(一級壓縮),進入冷卻器,完成一級壓縮過程;當活塞運行到極點時,液壓站換向閥將會換向,輸出的高壓油進入 B 腔, C 腔的油回油箱,活塞桿向上運動,槽車內氣體進入 D 腔(一級進氣),而 A 腔的氣體則經壓縮后流出(一級壓縮),進入冷卻器,完成一級壓縮過程。
②當兩個這樣的氣缸串聯時,就構成了兩級壓縮。
特點: 節能效果好。一般選用22kW雙電機,進氣壓力高時為單電機工作,進氣壓力低時為雙電機工作。下圖是槽車壓力各壓力點的排量與功率曲線:

立式液壓活塞式天然氣壓縮機結構簡單。氣缸和油缸雙缸一體結構,液壓油每運行一個行程,都會將氣缸壁冷卻一次,因此氣體和氣缸壁的溫度較低,不需水套缸冷卻;一組氣缸只有一級壓縮,要想兩級壓縮需用兩組氣缸;軸向尺寸相對較短(僅大于兩倍行程),可以立式安裝;
(1) 油泵工作壓力較低。經過受力分析,所需油壓=(排氣壓力-進氣壓力)/2;額定壓力為31Mpa的油泵工作范圍始終在16MPa以下。
(2) 噪聲低。實測噪聲不高于70分貝。
(3) 天然氣幾乎無泄露量。設計上回避了填料等結構設計,系統幾乎沒有泄露點。
(4) 耗油量極小。油附著在缸壁上形成極薄高分子油膜,使輸出氣體內含極少量油。
(5) 易損件少。只有活塞環、O形圈等少量易損件。
(6) 各支承環和液壓活塞環不存在偏磨現象,壽命較長。
綜上所述,液壓活塞式天然氣壓縮機結構簡單,流程適應性強,節能性最好,泄露量小,運行維護成本低,代表了子站壓縮機發展方向,是CNG加氣子站壓縮機首選設備。其具體比較見表1、表2。
表1:液壓活塞壓縮機(立式氣缸)與傳統壓縮機性能比較表:

表2:液壓活塞壓縮機(立式氣缸)與液壓平推系統性能比較表:

